登录
无障碍
长者模式
搜索
首页
新闻动态
政府信息公开
业务工作
政务服务
互动交流
机关党建
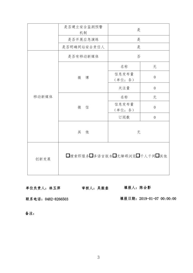
2018年兴安盟人力资源和社会保障局网站工作年度报表
来源:兴安盟人社局
发布时间:2019-01-10 10:39
字体大小:
A+
A
A-
分享:
打印
上一篇
下一篇
打印
关闭
相关文章